— 首页
— 关于我们
— 新闻资讯
— 产品中心
— 应用案例
— 联系我们
— 下载中心
中文版
English
English
中文版
首页
关于我们
新闻资讯
产品中心
数显电动扭矩扳手
气动扭矩扳手
液压扭矩扳手
充电式扭矩扳手
手动增扭扳手
扭剪扳手
液压扳手专用泵
螺栓拉伸器
螺母破切器
液压油缸
液压泵
法兰工具
液压拉马
应用案例
联系我们
下载中心
首页
>
法兰工具
>
法兰分离器
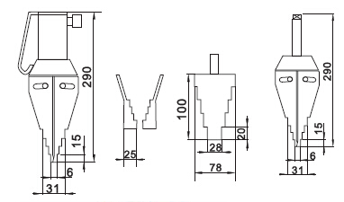
法兰分离器
1.适用于管路维护,维修,测试和阀门更换的应用;
2.无摩擦、平行、平滑运动,不会造成法兰损失;
3.楔部尺寸仅为6mm;
4.机械液压两种选择。
详细参数
相关产品
法兰分离器
1.适用于管路维护,维修,测试和阀门更换的应用;
2.无摩擦、平行、平滑运动,不会造成法兰损失;
3.楔部尺寸仅为6mm;
4.机械液压两种选择。
了解详细
液压法兰分离器
1.轻型宜人的设计便易使用;
2.从70-216mm的可调尖端宽度,应用范围广;
3.单作用、弹簧回位,SRC-系列油缸利于快捷、无故障操作。
了解详细
液压提升器
1.最小安装间隙10mm;
2.700bar压力时顶升力16ton;
3.每一阶梯都可以满负荷承载;
4.垂直顶升;
5.独一无二的联锁楔形设计;
6.多作用、弹簧复位;
7.包括安全垫块SB-2;
8.包括SRS系列油缸和SCR-400接头。
了解详细
法兰调整器
1.在不产生管线张力的情况下,矫正扭曲,旋转借位;
2.适用于大多数通用类法兰ANSI,API,BS和DIN法兰;
3.两种手动操作型号,ATM-1适用于小型法兰,ATM-3用于大型高压法兰。
了解详细