— 首页
— 关于我们
— 新闻资讯
— 产品中心
— 应用案例
— 联系我们
— 下载中心
中文版
English
English
中文版
首页
关于我们
新闻资讯
产品中心
数显电动扭矩扳手
气动扭矩扳手
液压扭矩扳手
充电式扭矩扳手
手动增扭扳手
扭剪扳手
液压扳手专用泵
螺栓拉伸器
螺母破切器
液压油缸
液压泵
法兰工具
液压拉马
应用案例
联系我们
下载中心
首页
>
液压油缸
>
RSM 系列薄型油缸
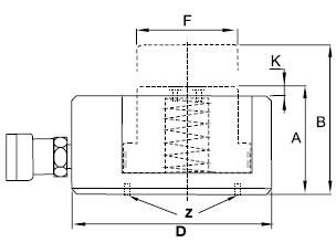
RSM 系列薄型油缸
1.紧凑扁平设计使用于其他液压缸不适用的场合;
2.RSM-750/-1000/-1500配有手柄便于搬运;
3.安装孔使固定方便;
4.烤漆表面增强耐腐蚀能力;
5.所有型号均包含CR-400快速接头与防尘帽;
6.高质量柱塞表面镀硬铬处理;
7.沟槽柱塞端面无需鞍座;
8.单作用,弹簧回缩。
详细参数
相关产品
RC 系列单作用液压油缸
1.外环螺纹、柱塞螺纹和底部安装孔使得定位方便(对多数型号而言);
2.设计为任何安装位置上使用;
3.可拆卸手柄使固定方便(RC5013,RC751和所有95吨型号油缸);
4.高强度合金钢经久耐用;
5.多数型号可提供镀镍本体;
6.高强度复位弹簧;
7.烤漆表面耐腐蚀能力更强;
8.各型号均包含CR-400快速接头与防尘帽;
9.防尘密封圈可减少污染,延长液压缸使用寿命
了解详细
RR 系列双作用液压油缸
1.外环螺纹、柱塞螺纹和底部安装孔便于安装(对于大部分型号);
2.烤漆表面使耐腐蚀能力更强;
3.可拆卸的鞍座,工作中可保护柱塞;
4.内部安全阀防止意外过载;
5.所有型号均含CR-400快速接头;
6.防尘圈减少污染,延长油缸使用寿命。
了解详细
RCH系列 单作用中空液压油缸
1.最大工作压力: 700bar;
2.对于20吨以上的型号,使用镀镍的浮动中心管增加产品寿命;
3.烤漆表面耐腐蚀能力更强;
4.外环螺纹使安装方便;
了解详细
RRH 系列 双作用中空柱塞液压油缸
1.溢流阀在过载时保护油缸免受损坏;
2.烤漆表面提高抗腐能力;
3.外环螺纹更易安装(除RRH-1001和RRH-1508);
4.双作用可快速回程;
5.镀镍表面,浮动中心管延长产品寿命;
6.空心柱塞允许推力和拉力应用;
7.所有型号带CR-400快速接头和防尘帽;
8.防尘圈减少污染,延长液压缸寿命。
了解详细